Ì«Ñô¼¯ÍÅtcy8722

PRODUCTS

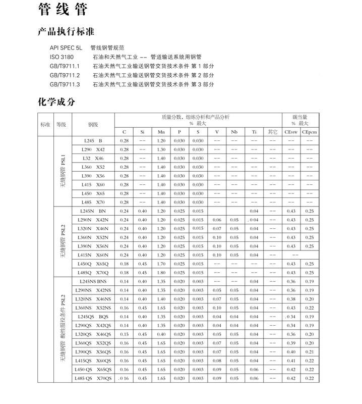
¹ÜÏß¹Ü
APIÓÍÌ×¹Ü ·ÇAPIÓ;®¹Ü ¹ÜÏß¹Ü ³¬Ï¸ÃÜ¸Ö¹Ü ÒºÑ¹Ö§Öù¹Ü Á÷Ìå¹Ü ÆøÆ¿¹Ü ¹øÂ¯¹Ü